Page 1 of 1
TCU Wiring
Posted: 29 May 2023, 13:48
by klutched

- received_174794858885530.jpeg (200.03 KiB) Viewed 10975 times
Hey all,
Was wondering if I could get some insight on a few wires for the TCU.
Pins 1, 2, 3 - TCU Ground 3x 0.5-1mm² wire ~ I have run 3x 18G wires to chassis for ground but I have 1 wire which is ground for the shifter/selector?
Pins 43, 44, 45 - Power Ground 3x 1-1.5mm² wire ~ I have run 3x 16G wires to chassis for ground, is this correct?
Pins 51, 52, 53 - +12V Battery Power supply all the time 15A fused 3x 1-1.5mm² wire ~ I have run 3x 16G from the battery, do I fused each wire individually or all together? Also have the same issue that wire from shifter/selector terminates in the same pins.
Do i join the wires in so they go to the same pins together?
Any help is appreciated.
Thanks;
Gideon
Re: TCU Wiring
Posted: 01 Jun 2023, 06:12
by kaitsu66

- IMG_3324.1.jpg (206.53 KiB) Viewed 10925 times
Maybe this will help ?
Re: TCU Wiring
Posted: 12 Jun 2023, 12:10
by klutched
kaitsu66 wrote: 01 Jun 2023, 06:12
IMG_3324.1.jpg
Maybe this will help ?
Legend! Thanks mate
Re: TCU Wiring
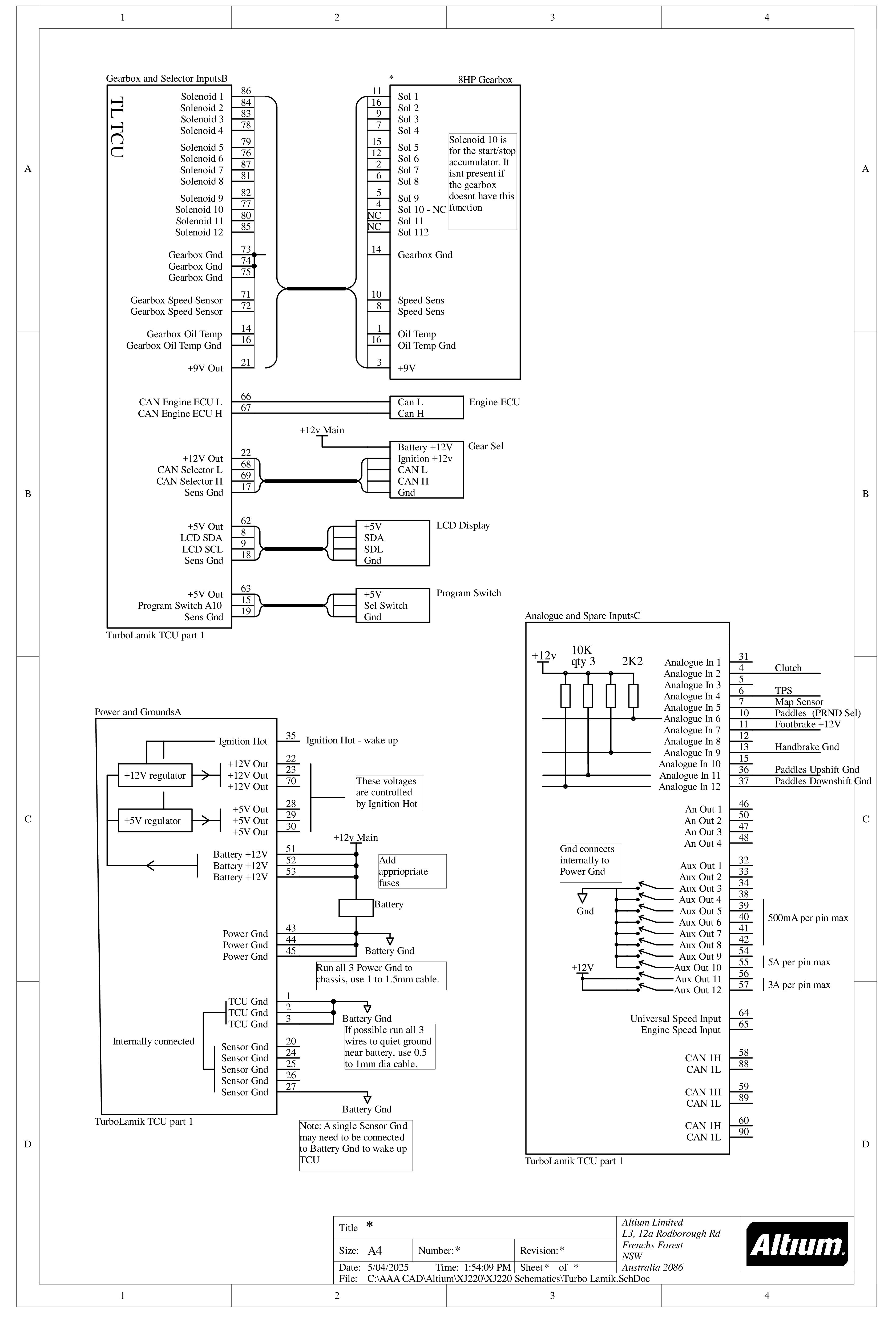
Posted: 14 Feb 2025, 03:58
by clive2109
Have the same question as Im wiring up this unit..... but the image in the reply isnt visible.
There are 4 seperate grounds on the TCU:
TCU ground (pins 1,2,3)
Power ground (pins 43,44,45)
Gearbox ground (pins 73,74,75) Can work that one out!)
Sensor ground (pins 16-20, 24-27)
The TCU grounds connects internally to the Sensor grounds.
Not sure what the Power grounds are for - high current grounds for 'active high' devices? (but car chassis grounds can be used for these?)
Non of these TCU grounds connect to the TCU case (car chassis ground). Is TCU ground meant to be a 'quiet' ground with its own wire running back to the battery whilst the Power grond goes out to a close car chassis ground?
Re: TCU Wiring
Posted: 29 Mar 2025, 06:34
by clive2109
Heres some info on wiring, it may make connecting the TCU easier.
Edit: Updated

- Turbo Lamik1.png (15.87 MiB) Viewed 10121 times
Re: TCU Wiring
Posted: 29 Mar 2025, 07:48
by clive2109
Couple of pics of the connectors.

- Clipboard05.png (30.33 KiB) Viewed 10188 times

- Clipboard03.png (53.35 KiB) Viewed 10188 times
Re: TCU Wiring
Posted: 30 Mar 2025, 06:05
by M4comp
clive2109 wrote: 14 Feb 2025, 03:58
Have the same question as Im wiring up this unit..... but the image in the reply isnt visible.
There are 4 seperate grounds on the TCU:
TCU ground (pins 1,2,3)
Power ground (pins 43,44,45)
Gearbox ground (pins 73,74,75) Can work that one out!)
Sensor ground (pins 16-20, 24-27)
The TCU grounds connects internally to the Sensor grounds.
Not sure what the Power grounds are for - high current grounds for 'active high' devices? (but car chassis grounds can be used for these?)
Non of these TCU grounds connect to the TCU case (car chassis ground). Is TCU ground meant to be a 'quiet' ground with its own wire running back to the battery whilst the Power grond goes out to a close car chassis ground?
Power ground (pins 43,44,45) are used for solenoids and any external device which would generate flyback voltage from the inductor breaking down.
TCU grounds are the controller side grounds which includes the sensor gnd plane.
Re: TCU Wiring
Posted: 30 Mar 2025, 06:08
by M4comp
I should add the Power Gnds are also tied to the Aux outputs that are active low as well.
Re: TCU Wiring
Posted: 05 Apr 2025, 05:22
by clive2109
Cheers M4, have updated.